• > 集佳知識產權代理有限公司 > 集佳周訊 > 2022年 > 集佳周訊2022年第37期 > 論壇博覽 > 權利要求被拒絕——修改還是爭辯
EN  日本語  韓國語
上一期 | 總第885期(2022.09.17-2022.09.23)
  • 首頁
  • 行業動態
  • 集佳動態
  • 熱點聚焦
  • 法眼觀察
  • 論壇博覽
  • 知識產權史上的今天
權利要求被拒絕——修改還是爭辯

  文/北京集佳知識產權代理有限公司西安分部 潘紅

 

  在美國專利申請審查期間,申請人經常會收到關于權利要求不符合美國專利法第102條(新穎性)或第103條(顯而易見性)的審查意見,并指出至少一篇對比文件。

  當權利要求根據美國專利法第102條或第103條規定遭到拒絕時,是選擇修改還是選擇爭辯呢?以下,就幾種常見的思考方式結合案例來進行闡述【1】。

  當然,在準備答復之前,首先要驗證審查意見中指出的對比文件是否適合用于評價本申請的新穎性或創造性。

 

  一、審查員關于顯而易見性的評價是否有充分依據

  如果審查員根據第103條拒絕了權利要求,即,權利要求的主題是顯而易見的,也就是說,對本領域普通技術人員來說,在做出發明時該主題是顯而易見的。這可以認為是相對于一篇現有技術參考文獻啟示的明顯修改,或者認為是相對于兩篇或多篇參考文件啟示的明顯結合。

  當面對第103條的否定意見時,最低限度的考慮應當是審查員關于顯而易見性的評價是否具有充分的依據。例如,如果現有技術或現有技術的結合給出了反向啟示,或者現有技術與被評述的權利要求的方案的實施需要不同的前提條件,則可以爭辯具有顯而易見性。

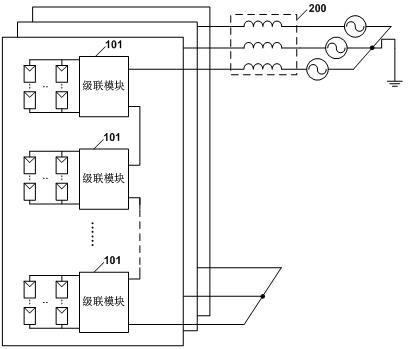
  例如,在下述一件美國專利申請中,提供一種中高壓光伏發電系統,其光伏組串采用中高壓絕緣耐壓等級的絕緣子實現與大地之間的隔離,使光伏組串能夠串聯到更高電壓等級,接入各自對應的級聯模塊之后,各個級聯模塊的串聯輸出能夠通過三相濾波器并入10kV等級電網,而不再需要常規電站中的電力升壓變壓器或者高頻隔離型DC/DC變換器,相比常規系統方案提升了系統效率。其對應附圖如下:

  本申請附圖

  該專利申請的權利要求1為:

  1、一種中高壓光伏發電系統,其特征在于,包括三相濾波器和三個分別通過所述三相濾波器以星形或三角形接法實現連接的相電路,所述相電路中包括一個或者兩個串聯的橋臂,所述橋臂包括:至少一個級聯模塊、至少一個光伏組串和至少一個絕緣子,所述光伏組串包括多個光伏組件;所述橋臂中:

  各個所述級聯模塊的交流端級聯,級聯后的兩端作為所述橋臂的輸出端;

  所述級聯模塊的直流端與至少一個所述光伏組串相連;

  所述光伏組串通過所述絕緣子與大地實現隔離;

  所述光伏組件與地面之間的距離大于預設高度;

  所述絕緣子為中高壓絕緣耐壓等級的絕緣子。

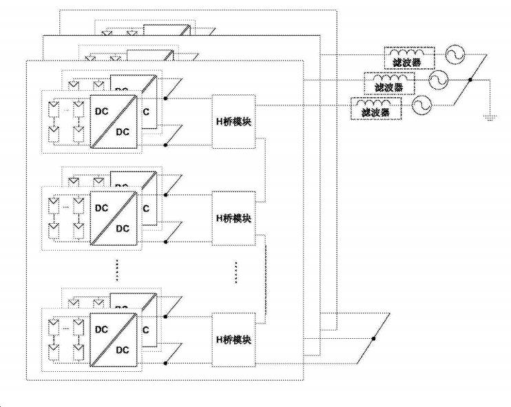
  在Non-final OA中,審查員指出上述權利要求1相對于對比文件D1,D2的結合不具有創造性。具體地,

  針對D1,D1結合下圖公開了下述權利要求1中下劃線示出的內容:

  一種中高壓光伏發電系統,其特征在于,包括三相濾波器和三個分別通過所述三相濾波器以星形或三角形接法實現連接的相電路,所述相電路中包括一個或者兩個串聯的橋臂,所述橋臂包括:至少一個級聯模塊、至少一個光伏組串和至少一個絕緣子,所述光伏組串包括多個光伏組件;所述橋臂中:

  各個所述級聯模塊的交流端級聯,級聯后的兩端作為所述橋臂的輸出端;

  所述級聯模塊的直流端與至少一個所述光伏組串相連;

  所述光伏組串通過所述絕緣子與大地實現隔離;

  所述光伏組件與地面之間的距離大于預設高度;

  所述絕緣子為中高壓絕緣耐壓等級的絕緣子。

  D1附圖

  針對D2,其公開了光伏發電系統中光伏組串通過絕緣子與大地實現隔離。因此,權利要求1不符合美國專利法關于第103條的規定。

  與本申請一樣,對比文件D1,D2都屬于光伏發電領域,從特征比對結果來看,權利要求1中的所有特征被對比文件公開。

  不過,在通讀了該專利申請之后,代理人發現,D1的目的在于解決現有技術中隔離型DC/DC變換器效率低的問題,且D1在說明書中明確示出了其包括多個高壓隔離型DC/DC變換器,因此,可以得出D1的方案實現的前提條件是DC/DC變換器為高壓隔離型的,其方案實施對象即為隔離型DC/DC變換器,而隔離型DC/DC變換器也無需另外設置絕緣子進行隔離。而本申請中,光伏組串采用中高壓絕緣耐壓等級的絕緣子實現與大地之間的隔離,使光伏組串能夠串聯到更高電壓等級,其方案實施對象為非隔離型DC/DC變換器。而且,D2僅公開了絕緣子這一特征。

  因此,可知,D1和本申請實現的前提條件是不同的,甚或是相反的。D1無法與D2結合,并且無法給予任何技術啟示。因此,審查員關于顯而易見性的立場不具有充分的依據,可以爭辯具有顯而易見性。

  反之,如果審查員關于顯而易見性的立場具有充分的依據,則需要進一步分析。

 

  二、權利要求可以從所引用的現有技術中獲知嗎?

  在認可審查員關于對比文件的指定的情況下,則需要進一步分析權利要求是否可以從所引用的對比文件中獲知。在進行該步驟時,需要注意以下幾個方面。

  1)試著從審查員的角度去看

  在評估權利要求是否能從引用的現有技術中獲知時,從審查員的角度來閱讀權利要求和現有技術是很重要的。審查員不需要根據說明書所披露的內容來狹義地解釋權利要求術語。事實上,審查員的職責要求他賦予權利要求語言最廣泛、最合理的含義。

  例如,計算機科學家使用術語“主動數據庫”表示在特定時間發生時采取行動的數據庫,而股票經濟公司操作的主動數據庫例如在股票B達到一定的價格水平時可按程序向客戶A發送電子郵件信息。然而,審查員可以將“主動數據庫”理解為“啟動并運行”的任一數據庫。

  例如,在下述一件美國專利申請中,其提供了一種帶超差報警裝置的數顯量具,進行超差測量時,待測件平穩放置,使用數顯測量器對待測件進行實際尺寸測量,測量的數值經由處理器,處理器根據預設算法將測量的實際尺寸數值進行超差計算,當計算結果滿足報警提示要求時,處理器控制超差報警裝置進行報警提示。工作人員只需通過觀察超差報警裝置即時獲得提醒檢測結果,即可得知該待測件的實際尺寸數值是否符合標準,提高了產品的檢測效率,大幅減少工作人員核對檢測結果的工作量。

  該申請權利要求1如下:

  1、一種帶超差報警裝置的數顯量具,包括:

  數顯測量器;

  設置于所述數顯測量器內、用于計算所述數顯測量器的測量值與預設標準值差值的處理器;以及

  與所述處理器信號連接、用于根據所述處理器計算結果進行報警提示的超差報警裝置。

  在Non-final OA中,審查員指出權利要求1中的數顯量具和數顯測量器包括任何帶有數字顯示的測量儀器。在此基礎上,數顯量具可以認為涵蓋了任何帶有超差報警功能的數顯量具或裝置,其涵蓋范圍比較廣。因此,需要進一步明確其中的術語的含義。

  2)不要過度解讀對比文件

  我們應該警惕對對比文件過度解讀,不要把我們的發明知識或者專業知識帶到閱讀中去,從而導致不必要的權利喪失。

  例如,在下述一件美國專利申請中,公開了一種信號處理辦法,通過預設的擬合模型擬合計算出輸入信號的擬合幅度,對擬合幅度進行判斷并根據判斷結果進行處理得到對應的增益信號,基于增益信號對延時處理輸入信號得到的延時信號進行處理得到的輸出信號。通過上述結構簡單的信號處理裝置及系統進行信號處理,不僅計算量小,而且還能提高處理信號的效率和處理效果。具體結構請參見下述附圖。

  該申請的權利要求1如下:

  1、一種信號處理方法,包括:

  獲取根據擬合模型對輸入信號進行擬合計算得到的擬合幅度;

  依據所述擬合幅度判斷所述輸入信號是否需要增益,并根據判斷結果得到對應的增益信號;

  獲取根據預設時間延時所述輸入信號,得到的延時信號,所述預設時間與得到所述增益信號的時間相同;并且

  基于所述增益信號對所述延時信號進行處理,得到增益輸出信號,

  其中,所述擬合模型通過下述步驟獲得:

  測量所述被驅動元件的頻率響應曲線;

  擬合所述頻率響應曲線,建立擬合模型,所述擬合模型包括對應擬合所述頻率響應曲線的傳遞函數。

  在Non-final OA中,審查員指出了多個對比文件來評價權利要求1的創造性,經對對比文件分析,上述權利要求1中除下劃線標記的特征之外,其余特征確實被對比文件公開。所以,討論的重點就在于本申請公開的擬合模型的獲得步驟與對比文件Dn之間的區別了。Dn中,如下述圖3,示出了揚聲器在不同的濾波參數下的音頻響應曲線。通過得到揚聲器在不同的濾波參數下的音頻響應曲線,從而確定合適的濾波參數。

  從上述內容中,很容易就會想到得到了音頻響應曲線,本領域技術人員很容易會想到對音頻響應曲線進行擬合來得到傳遞函數。然而,Dn僅公開在施加不同濾波參數的情況下得到揚聲器的音頻響應曲線,并沒有公開根據響應曲線得到擬合模型,因此,在答復審查意見時,選擇爭辯權利要求1中的該特征不能從對比文件獲知。如果在Dn的基礎上主觀地認為得到包括傳遞函數的擬合模型是容易想到的,則失去了很好的爭辯機會。實踐中,該專利申請也是成功獲得了授權。

  3)不要僅僅依靠發明人對對比文件的解讀

  對于所引用的現有技術的解讀,發明人的意見是非常重要的,但是我們不應該僅僅依靠發明人的解讀。發明人易于關注發明的本身,而不是申請內容公開,因此,需要對發明人的意見進行分析核實。

  例如,在下述一件美國專利申請中,公開了一種電池片串聯組件,包括多組電池片單元,每組所述電池片單元包括多個電池片,每組所述電池片單元中,相鄰的兩個電池片中的一個電池片的背面通過導電材料與另一個電池片的正面電連接,所述導電材料與兩個電池片緊密接觸的部位分別設置有第一絕緣層和第二絕緣層。本發明實施例中由于在所述導電材料與兩個電池片緊密接觸的部位分別設置有第一絕緣層和第二絕緣層,因此,相鄰的電池片之間可以緊密接觸,基本實現無縫接觸,從而增加了電池片串聯組件的有效面積。具體結構參見下圖。

  本申請的權利要求1如下:

  1、一種電池片串聯組件,包括多組電池片單元,每組所述電池片單元包括多個電池片,其特征在于,每組所述電池片單元中,相鄰的兩個電池片中的一個電池片的背面通過導電材料與另一個電池片的正面電連接,所述導電材料與兩個電池片緊密接觸的部位分別設置有第一絕緣層和第二絕緣層。

  在Non-final OA中,審查員指出了對比文件D1,并指出D1的下述附圖公開了權利要求1的所有特征。

D1的附圖

  通過比較本申請權利要求1和D1的上述附圖,可以得出D1的確公開了本申請權利要求1中的方案。為此,與發明人溝通,發明人給出如下回復:

  專利的不同點與創新點:

  1、專利中提及的電池片為小電池片(整片電池的1/3 1/4 1/5 1/6等),與之相匹配的是短焊帶,僅需焊接部分電池電極即可,不會影響電流收集率。對比文件D1中使用的是常規整片電池或半片電池,不能使用短焊帶;

  2、焊帶與電池片短邊平行;

  3、焊帶為柔性扁平焊帶與普通焊帶不同,且焊帶長度短,節省焊帶物料;

  4、絕緣層部分有小面積覆蓋電池片邊緣,有效防止焊錫漏液將電池片短路。

  通過分析說明書,發現上述下劃線標記的內容均沒有在說明書中公開,而且其他內容也僅可以從附圖中得出。因此,經溝通,最終僅使用上述的其他內容來作為區別特征進行爭辯。不考慮該申請的授權前景,僅從答復過程中可以得出,對于發明人對方案的解讀,因其所處的身份不同,或者申請文件在撰寫過程中被進一步加工處理,導致與技術交底書或發明人理解有些許不同,因此,我們要有清楚地區分和判斷。

  上面,我們分析了權利要求的所有特征是否可以從所引用的現有技術中獲知,如果無法獲知,則選擇進行爭辯。反之,如果現有技術的確公開了權利要求的所有的特征,這也不一定就意味著本申請本公開,不具有顯而易見性了。接下來,需要從發明構思方面進行考慮。

 

  三、被引用的現有技術是否公開了發明構思?

  即使權利要求的所有特征被引用的現有技術涵蓋,也不一定意味著權利要求保護的方案被對比文件公開,更不意味著本申請是顯而易見的。現有技術有可能是與本申請完全不同的技術,并不能給本申請任何技術教導。

  例如,在下述一件美國專利申請中,公開了一種數字證書管理方法,數字證書申請設備可以利用獲取的授權碼與數字證書頒發設備協商建立安全數據通道,生成安全密鑰,并在數字證書申請設備和數字證書頒發設備之間的消息交互過程中,利用生成的數據通信密鑰對消息加密處理,有效提高了數據傳輸的安全性,并可以適用于多種不同類型場景下的數字證書自動申請、查詢、更新、吊銷和撤銷列表獲取等。其流程圖如下。

  本申請權利要求1如下:

  1、一種數字證書管理方法,其特征在于,包括:

  數字證書申請設備利用獲取的授權碼與數字證書頒發設備協商建立安全數據通道,生成安全密鑰;其中,所述安全密鑰至少包括數據通信密鑰;

  數字證書申請設備利用所述安全數據通道向所述數字證書頒發設備發送數字證書管理請求消息,所述數字證書管理請求消息經所述數據通信密鑰加密處理;

  數字證書頒發設備接收所述數字證書管理請求消息,利用所述安全數據通道向數字證書申請設備發送數字證書管理響應消息,所述數字證書申請設備利用所述安全數據通道接收所述數字證書管理響應消息,所述數字證書管理響應消息經所述數據通信密鑰加密處理;

  數字證書申請設備對所述數字證書管理響應消息進行處理,獲取處理結果。

  在Non-final OA中,審查員指出了對比文件D1和D2來評價權利要求1的創造性。其指出對比文件公開了本申請權利要求1中的所有步驟,雖然對比文件D1和D2的流程中,數字證書申請設備向數字證書頒發設備發送消息時還經過了一個中轉節點AP,但是審查員指出,本領域技術人員可以想到省略該節點以加快消息的傳送。

  通過本申請說明書公開可知,本申請應用于無線局域網內,通過無線局域網在數字證書申請設備和數字證書頒發設備之間進行信息交互實現證書的管理。

  而對比文件D1雖然也是證書的管理,但其明確公開了使用WAPI機制。是在WAPI場景下進行的方案。根據現有的WAPI機制下的工作原理,接入點AP是必不可少的,因此,WAPI是必然要通過AP來進行相應操作的,無法省略AP。所以,根據D1的方案是無法得出本申請中省略AP而直接在證書申請設備和證書頒發設備之間協商建立通道的,本領域技術人員不可能根據一個機制下的方案去解決另一個工作機制下的問題。

  另外,對比文件D2雖然也是證書的管理,但其明確公開了使用TLS機制。在TLS機制下,證書管理中心(等同于證書頒發設備)與證書申請設備之間也是存在有信任中心的(類似D1中的AP),因此,D2也無法得出省略AP的方案。

  因此,雖然對比文件D1和D2與本申請都屬于網絡安全領域,且都涉及證書管理,但對比文件與本申請涉及的是不同的技術。因此,也無法給予任何教導。可以看出,這也符合我們在前面第1條中提及的,審查員關于顯而易見性的依據是否充分這一點。

  以上為筆者在答復美國專利申請審查意見中遇到的一些實操案例的分享,并且其中的大部分案例已經獲得授權。如有處理不妥之處,歡迎指正和隨時討論。

 

  參考文獻:

  【1】《發明分析與權利要求撰寫》第二版,作者:Ronald D.Slusky。

  

此篇文章由北京集佳知識產權代理有限公司版權所有,未經授權請勿轉載     
?2016 Unitalen Attorneys at Law    免責聲明